 
    Coupleur femelle à clapet acier inoxydable ISO A
 
    Accouplable sous-pression - ISO A- ISO7241
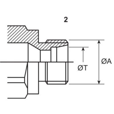
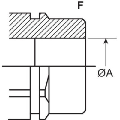
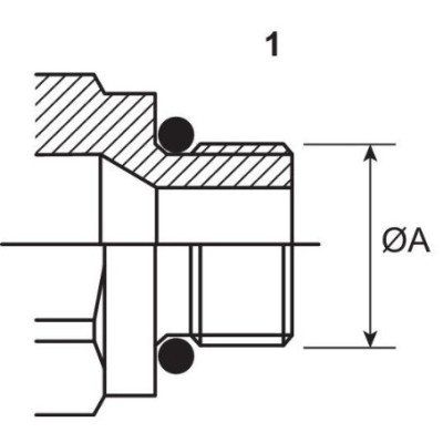
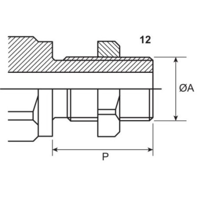
Choisissez votre coupleur hydraulique en sélectionnant l'implantation A , pour cela vous pouvez vous aider du tableau ci-dessous et des schémas explicatifs.
| Référence | Filetage | Ø implantation A | Accouplement D | Ø de clé X | Longueur B | Pression de service | Débit max. | 
| 4CFPV 12GASF | F | 1/2" BSP FEMELLE | 38 mm | 27 mm | 107.3 mm | 250 bar | 68 L/m | 
| 4CFPV 12NPTF | F | 1/2" NPTF FEMELLE | 38 mm | 27 mm | 107.3 mm | 250 bar | 68 L/m | 
| 4CFPV 34UNFF | F | 3/4" UNF FEMELLE | 38 mm | 32 mm | 107.3 mm | 250 bar | 68 L/m | 
| 4CFPV 1/2215F | 1/ | M22X1,5 MALE 12S | 38 mm | 32 mm | 110.8 mm | 250 bar | 68 L/m | 
| 4CFPV 1/78UNFF | 1/ | 7/8" UNF MALE | 38 mm | 32 mm | 110.8 mm | 250 bar | 68 L/m | 
| 4CFPV 7/2215F | 7/ | M22X1,5 MALE 12L | 38 mm | 32 mm | 123.5 mm | 250 bar | 68 L/m | 
| 4CFPV 14/34UNFF | 14/ | 3/4" UNF MALE | 38 mm | 27mm | 127.8 mm | 250 bar | 68 L/m | 
| 4CFPV 14/78UNFF | 14/ | 7/8" UNF MALE | 38 mm | 27mm | 128.8 mm | 250 bar | 68 L/m | 
| 4CFPV 21/2215F | 21/ | M22X1,5 MALE | 38 mm | 27mm | 110.3 mm | 250 bar | 68 L/m | 
Merci de vous connecter
Connexion